EVAL-AD777X

8-Channel, 24-Bit Simultaneous Sampling Sigma-Delta ADC Evaluation Board.

Overview

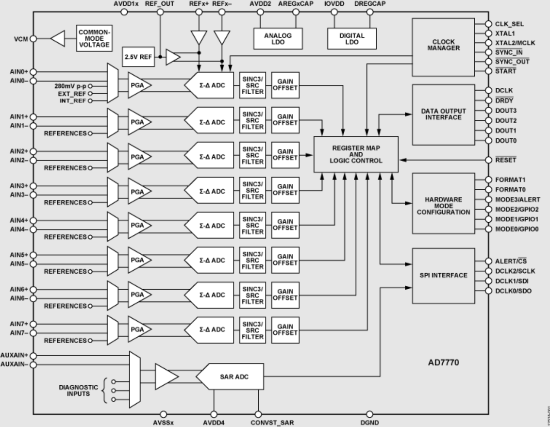
The EVAL-AD7770-AD7779 is the evaluation board for the AD7770, AD7771, and AD7779 8-channel, simultaneous sampling, 24-bit sigma-delta (Σ-Δ) analog-to-digital converters (ADCs). The evaluation board supports all three device variants through the same hardware; the active device is selected in firmware.

The AD777X family provides an ultralow input current to allow direct sensor connection. Each input channel features a programmable gain stage with gains of 1, 2, 4, and 8, mapping lower-amplitude sensor outputs into the full-scale ADC input range to maximize dynamic range. The devices accept differential or single-ended input signals and support both unipolar and bipolar analog supply configurations.

Each channel contains an ADC modulator and a sinc3, low latency digital filter. A sample rate converter (SRC) provides fine resolution control over the output data rate, supporting applications where coherency with line-frequency changes is required. The SPI interface is used for register access and SAR ADC control (on the AD7779). A 12-bit on-chip SAR ADC on the AD7779 enables device diagnostics without decommissioning a Σ-Δ channel.

The evaluation board connects to a ZedBoard FPGA development kit via the FMC LPC connector. Kuiper Linux runs on the Zynq-7000 SoC and exposes the ADC channels through the IIO subsystem, enabling data capture with standard IIO tools.

Features:

  • 8-channel, simultaneous sampling, 24-bit Σ-Δ ADC

  • Programmable gain per channel: 1, 2, 4, and 8

  • Ultralow input current - direct sensor connection

  • True differential and single-ended input support

  • Unipolar and bipolar analog supply configurations

  • Integrated 2.5 V reference (AD7779)

  • High resolution and low power operating modes

  • SRC for fine output data rate resolution

  • 12-bit SAR ADC for diagnostics (AD7779)

  • SPI control interface with optional CRC validation

Applications:

  • Industrial process control

  • General-purpose data acquisition

  • Electroencephalography (EEG)

  • Circuit breakers and protection

Photo of the EVAL-AD7770FMCZ evaluation board

Figure 1 EVAL-AD7770FMCZ Evaluation Board

Recommendations

People who follow the flow that is outlined, have a much better experience with things. However, like many things, documentation is never as complete as it should be. If you have any questions, feel free to ask on our EngineerZone, but before that, please make sure you read our documentation thoroughly.

To better understand the AD777x family, we recommend using the EVAL-AD7770-AD7779 evaluation board together with the ZedBoard FPGA development kit.

Table of contents

  1. Using the evaluation board/full stack reference design:

    1. Prerequisites - what you need to get started

    2. Quick start guide:

      1. Using the ZedBoard

    3. Linux Applications

      1. IIO Oscilloscope

  2. Design with the AD777x

  3. Help and Support

Block diagram

Block diagram of the AD777x HDL reference design on ZedBoard

Figure 18 AD777x Block Diagram

Warning

All the products described on this page include ESD (electrostatic discharge) sensitive devices. Electrostatic charges as high as 4000V readily accumulate on the human body or test equipment and can discharge without detection. Although the boards feature ESD protection circuitry, permanent damage may occur on devices subjected to high-energy electrostatic discharges. Therefore, proper ESD precautions are recommended to avoid performance degradation or loss of functionality. This includes removing static charge on external equipment, cables, or antennas before connecting to the device.