Hardware User Guide

Introduction

The AD-PAARRAY3552R-SL is designed in a small form factor to manage the power sequencing of an RF transmitter signal chain, and is engineered to facilitate power sequencing for a two-stage Doherty amplifier (LDMOS + GaN) along with a one-stage Doherty amplifier (GaN only). However, users have the freedom to employ any GaN amplifiers of their choice.

The design incorporates the AD3552R dual-channel, 16-bit DAC which allows an ultrafast sub-µs Voltage settling time of GaN gates from pinch-off to the normal operating Voltage.

This also includes a high-side NMOS static switch driver, LTC7000, which adeptly handles key fault events such as overvoltage, overcurrent, and overtemperature.

The on-board MAX32666 ultralow power Arm Cortex®-M4 microcontroller exposes all the necessary debug and programming features to enable a complete software development experience with the system. The system’s firmware is based on ADI’s open-source no-OS framework and a user-friendly graphical user interface (GUI) for evaluation and further development.

The system can be powered from an external +38V to +55V supply, making it suitable for applications requiring high current capabilities.

Board Specifications

Dimension:

  • Length: 4 inch (101.6 mm)

  • Width: 2.7 inch (68.58 mm)

  • Thickness: 0.062 inch (1.62 mm)

  • PCB Material: FR4 ISOLA 370HR

  • No. of layers: 6

    • Top Layer (Component, Signal Layer, 90 Ω differential)

    • Ground Plane

    • Signal Layer

    • Power Plane

    • Ground Plane

    • Bottom Layer (Component, Signal Layer)

Components and Connections

Primary Side

https://media.githubusercontent.com/media/analogdevicesinc/documentation/ad5766_sdz_doc/docs/solutions/reference-designs/ad-paarray3552r-sl/hardware-guide/ad-paarray3552r-sl_front_view.png

Figure 1 AD-PAARRAY3552R-SL Top

Power Supply Connectors

These connectors are used to supply +48V to the entire circuitry. The AD-PAARRAY3552R-SL provides an option for the user to use either a barrel jack connector or a two-wire terminal.

  • P1 - Barrel connector jack. Use this port if a 5.5 mm x 2.5 mm barrel jack adapter is preferred.

  • P2 - Two-port terminal connector. Port for supply power through non-terminated wires. Ensure proper connection to the positive and negative terminals of the power supply.

Important

Supply power to either P1 or P2 only and not at the same time Supplying power to both terminals may cause permanent damage to the device.

LED Indicators

Three indicator LEDs to display the board’s current status:

  • DS1 - Indicates that a fault event (overvoltage or overcurrent).

  • DS2 - Indicates that a fault event (overtemperature).

  • DS3 - Indicates normal operation and good power regulation.

Peripheral Connectors

These connectors are used for debugging, programming, and communication between the software and hardware.

  • P5 - USB-to-UART Serial Communication through micro-USB to USB cable

  • P6 - Programming and debugging using 10-pin SWD cable

Switches

Hardware switches used to reset specific devices:

  • S3 - MAX32666 Microcontroller Reset

Test Points

The reference design board is comprised of several test points. The table below describes some of the most significant test points and their descriptions.

https://media.githubusercontent.com/media/analogdevicesinc/documentation/ad5766_sdz_doc/docs/solutions/reference-designs/ad-paarray3552r-sl/hardware-guide/ad-paarray3552r-sl_test_points.png

Figure 2 AD-PAARRAY3552R-SL Test Points

TP Name

Description

Voltage

TP6

U2 LTC7000 Output

+48V

TP8

U3 ADM7172 LDO Output

+5V

TP9

U4 LT3042 LDO Output

+5V

TP10

U5 LT3042 LDO Output

+5V

TP11

U6 MAX17643 Output

+5.6V

TP12

U7 ADM7170 LDO Output

+3.3V

TP13

U8 ADM7170 LDO Output

+1.8V

TP14

U9 ADM7150 LDO Output

+5V

TP15

U10 LT3471 Positive Output

+12V

TP16

U10 LT3471 Negative Output

-12V

Pin Turrets and Hooks

The AD-PAARRAY3552R-SL is designed for specific power amplifiers and is used on the RF signal chain, as shown below.

https://media.githubusercontent.com/media/analogdevicesinc/documentation/ad5766_sdz_doc/docs/solutions/reference-designs/ad-paarray3552r-sl/hardware-guide/ad-paarray3552r-sl_03.png

Figure 3 RF Signal Chain

The bias lines of these amplifiers must be connected to the designated pinout on the reference design board. Refer to the table below for the correct pin assignments.

Pin Assignments

Pin Name

Description

Pin Type

5V0_SW

RF Switch +5V Pin

Hook

EN_SW

RF Switch Enable Pin

Hook

5V0_PDA

Pre-driver Amplifier +5V Pin

Hook

5V0_DA

Driver Amplifier +5V Pin

Hook

EN_DA

Driver Amplifier Enable Pin

Hook

VDC1

Doherty LDMOS Carrier Drain Pin

Hook

VDP1

Doherty LDMOS Peaking Drain Pin

Hook

VGC1

Doherty LDMOS Carrier Gate Pin

Hook

VGP1

Doherty LDMOS Peaking Gate Pin

Hook

VDC2

Doherty GaN Carrier Drain Pin

Turret

VDP2

Doherty GaN Peaking Drain Pin

Turret

VGC2

Doherty GaN Carrier Gate Pin

Hook

VGP2

Doherty GaN Peaking Gate Pin

Hook

VD1

GaN Main Drain Pin

Turret

VD2

GaN Peak Drain Pin

Turret

VG1

GaN Main Gate Pin

Hook

VG2

GaN Peak Gate Pin

Hook

Secondary Side

https://media.githubusercontent.com/media/analogdevicesinc/documentation/ad5766_sdz_doc/docs/solutions/reference-designs/ad-paarray3552r-sl/hardware-guide/ad-paarray3552r-sl_bottom.png

Figure 4 AD-PAARRAY3552R-SL Bottom Side

SMD Packaging Provision

  • For easy evaluation, the board incorporates unpopulated SMD chip pads for 1210, 1206, 0805, and 0603 packaging. This allows the user to easily install a capacitive load of their choice.

Hardware Evaluation

Equipment Needed

  • AD-PAARRAY3552R-SL

  • One (1) MAX32625PICO rapid development platform with 10-pin SWD cable and with updated firmware: see firmware update instructions

  • One (1) HMC8500 GaN Power Amplifier Evaluation Board

  • One (1) HMC8429 RF Switch Evaluation Board

  • One (1) ADL5611 Gain Block AmplifierEvaluation Board

  • One (1) +5V to +60V programmable power supply

  • Two (2) micro-USB to USB cable

  • One (1) Signal Generator

  • One (1) Spectrum Analyzer

  • Two (2) SMA to SMA male cables

  • Host Windows PC:

Board Modification

The AD-PAARRAY3552R-SL requires some hardware modifications, which will depend on the amplifier you plan to use. Here are the parameters that need modification before using the board:

  • Fault Settings

  • Inrush Current Limiter

Fault Settings

The hardware is capable of detecting fault events such as overvoltage, overcurrent, and overtemperature. Below are the default settings for these fault events. You will need to adjust these settings based on the power amplifier you are using.

  • Overvoltage: +55V

  • Undervoltage: +38V

  • Overcurrent: 3.5A

  • Overtemperature: +75°C

Overvoltage Settings

The LTC7000s OVLO pin manages the overvoltage event. If the voltage on this pin exceeds 1.21V, an overvoltage fault will be flagged. Below are the default resistor values for a +55V and +60V overvoltage. Adjust the following resistor values to set your desired overvoltage. Refer to LTC7000 datasheet for more information.

  • +55V overvoltage - R3, R114 = 1Meg - R4, R115 = 22.6K

  • +60V overvoltage - R24 = 1Meg - R25 = 21K

Undervoltage Settings

The LTC7000s RUN pin manages the undervoltage event. If the voltage on this pin falls below 1.11V, an undervoltage fault will be flagged. Below are the default resistor values for a +38V and +6V undervoltage. Adjust the following resistor values to set your desired undervoltage. (Please note that the LTC7000 does not support a fault flag on its FAULT pin when an undervoltage event occurs, so we are unable to detect this kind of fault. However, the device will automatically shut off in such a case). Refer to LTC7000 datasheet for more information.

  • +38V undervoltage - R156, R177 = 1Meg - R172, R160 = 29.4K

  • +6V undervoltage - R26 = 1Meg - R23 = 221K

Overcurrent Settings

The LTC7000’s SNS and ISET pin are responsible for the overvoltage event. Below are the default resistor values for a 3.5A overcurrent. Adjust the following resistor values to set your desired overcurrent. Refer to LTC7000 datasheet for more information.

  • R9, R31, R120 = 0.015 (R_SENSE)

  • R12, R34, R123 = 105K (R_ISET)

Overtemperature Settings

The MAX6516 is manages the overvoltage event. You can adjust the hysteresis to your desired value.

Hysteresis Settings

Hysteresis Point

R144

R146

2°C

Populate with 0-ohm resistor

DNI/NC

10°C

DNI/NC

Populate with 0-ohm resistor

For this demo, we will be using the HMC8500 GaN Power Amplifier with an operating drain voltage of +28V (absolute max = +35V). It will have the following fault settings and its corresponding resistor values.

Fault

Set Value

Resistor Value

Remarks

Overvoltage

  • 35V

R3, R114 = 1 Meg; R4, R115 = 37.4K

U1, U25

Overvoltage

  • 60V

R24 = 1 Meg; R25 = 21K

U2

Undervoltage

  • 20V

R156, R177 = 1 Meg; R160, R172 = 57.6K

U1, U25

Undervoltage

  • 6V

R26 = 1 Meg; R23 = 221K

U2

Overcurrent

  • 3.5A

R9, R31, R120 = 0.015; R12, R34, R123 = 105K

U1, U2, U25

Overvoltage

  • 10°C Hysteresis

R144 = DNI/NC; R146 = 0

U24

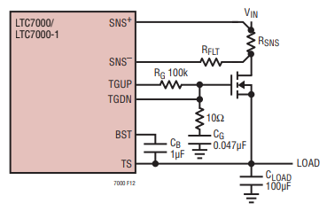
Inrush Current Limiter

Driving large capacitive loads such as complex electrical systems with large bypass capacitors should be powered using the circuit shown in the figure below.

https://media.githubusercontent.com/media/analogdevicesinc/documentation/ad5766_sdz_doc/docs/solutions/reference-designs/ad-paarray3552r-sl/hardware-guide/inrush_current_limiter.png

Figure 5 Inrush Current Limiter Circuit

The pull-up gate drive to the power MOSFET from TGUP is passed through an RC delay network, RG and CG, which greatly reduces the turn-on ramp rate of the MOSFET. This dramatically reduces the inrush current from the source supply and reduces the transient ramp rate of the load allowing for slower activation of sensitive electrical loads such as power amplifiers.

The turn-off of the MOSFET is not affected by the RC delay network as the pull-down for the MOSFET gate is directly from the TGDN pin. Note that the voltage rating on capacitor CG needs to be the same or higher than the external MOSFET and CLOAD.

The values for RG and CG to limit the inrush current can be calculated from the below equation:

https://media.githubusercontent.com/media/analogdevicesinc/documentation/ad5766_sdz_doc/docs/solutions/reference-designs/ad-paarray3552r-sl/hardware-guide/formula.png

On this application, we will use a <100mA inrush current.

  • Inrush current = 100mA

  • CLOAD = 20uF (HMC8500 Drain Bypass Capacitor)

  • CG = 10nF (assumed)

Using the formula above, RG = 200K.

Inrush Current Limiter Settings

Parameters

Refdes

ResistorValue

RG

R11, R33, R122

200K

GC

C10,C21,C164

10nF

RS

R14,R36,R125

10 ohms

Note

The default inrush current circuitry (RG, RS, CG) on the board is not populated. The user will need to modify the board and install the appropriate values before using it.

General Setup

  1. Connect the 10-pin SWD cable to port P6 of the AD-PAARRAY3552R-SL.

  2. Connect the other end of the SWD cable to the MAX32625PICO.

  3. Use the micro-USB to USB cable to connect the MAX32625PICO to PC or laptop. This connection allows the user to upload firmware to the board.

  4. Then, connect the other micro-USB to USB cable to port P5. This connection enables USB-to-UART communication.

    https://media.githubusercontent.com/media/analogdevicesinc/documentation/ad5766_sdz_doc/docs/solutions/reference-designs/ad-paarray3552r-sl/hardware-guide/uart_connection.png

    Figure 6 UART Connection

  5. Connect the positive terminal of the bench power supply to port P2.1.

  6. Connect the negative terminal of the bench power supply to port P2.2.

  7. Set the power supply voltage to +28V before turning it on. Note: The default undervoltage settings were set to +38V. The user needs to modify the hardware by changing the resistor values to perform the +28V drain voltage. Refer to the “Board Modification Section” above.

  8. Turn on the bench power supply. You will notice that DS3 (Green LED) will lights on.

    https://media.githubusercontent.com/media/analogdevicesinc/documentation/ad5766_sdz_doc/docs/solutions/reference-designs/ad-paarray3552r-sl/hardware-guide/psu_connection.png

    Figure 7 Power Supply Connection

  9. Perform the software setup indicate on the software user guide.

  10. The system is designed to provide bias on a complete transmitter signal chain shown in Figure 3.

  11. But for this demo, we will provide bias on the following Tx signal chain:

    https://media.githubusercontent.com/media/analogdevicesinc/documentation/ad5766_sdz_doc/docs/solutions/reference-designs/ad-paarray3552r-sl/hardware-guide/demo_signal_chain.png

    Figure 8 RF Signal Chain for Demo

  12. For safety measures, turn off the bench power supply.

  13. Set the signal generator with the following settings:

    • Frequency: 2.4 GHz

    • Power level: -30 dBm

      https://media.githubusercontent.com/media/analogdevicesinc/documentation/ad5766_sdz_doc/docs/solutions/reference-designs/ad-paarray3552r-sl/hardware-guide/sig_gen_setup.png

      Figure 9 Signal Generator Setup

  14. Set the spectrum analyzer with the following settings:

    • Center frequency: 2.4 GHz

    • Frequency Span: 500 MHz

    • Resolution: Adjust depending on your choice.

    • Amplitude: +20 dBm

    • Marker is at 2.4 GHz

      https://media.githubusercontent.com/media/analogdevicesinc/documentation/ad5766_sdz_doc/docs/solutions/reference-designs/ad-paarray3552r-sl/hardware-guide/sig_analyzer_setup.png

      Figure 10 Signal Analyzer Setup

  15. Don’t turn on the signal generator yet.

  16. Cascade the RF devices by the following chain: HMC849A -> ADL5611 -> HMC8500

    https://media.githubusercontent.com/media/analogdevicesinc/documentation/ad5766_sdz_doc/docs/solutions/reference-designs/ad-paarray3552r-sl/hardware-guide/cascaded_devices.png

    Figure 11 Cascaded Devices

  17. Connect the RF input/output of the signal chain to the signal generator and spectrum analyzer, respectively.

  18. Connect the GND pin of the two HMC8500 to the GND pin of the AD-PAARRAY3552R-SL board.

  19. Connect the gate pins (VGG) of the HMC8500 to the VG1 and VG2 pins of the AD-PAARRAY3552R-SL board, respectively.

  20. Connect the drain pins (VDD) of the HMC8500 to the VD1 and VD2 pins of the AD-PAARRAY3552R-SL board, respectively.

  21. Connect the ADL5611VCC to 5V_PDA pin of the AD-PAARRAY3552R-SL.

  22. Connect the HMC849AVDD to 5V_SW and the HMC849AVCTL to EN_SW of the AD-PAARRAY3552R-SL. Connect the EN of the HMC849A to the GND.

  23. Turn on the +28V bench power supply once again. You will notice that DS3 (Green LED) lights up, indicating proper power-up.

    https://media.githubusercontent.com/media/analogdevicesinc/documentation/ad5766_sdz_doc/docs/solutions/reference-designs/ad-paarray3552r-sl/hardware-guide/overall_setup.png

    Figure 12 Overall Hardware Setup

  24. Open the GUI Application. In the GUI Homepage, click the Go button under “Device Monitoring and Control”.

    https://media.githubusercontent.com/media/analogdevicesinc/documentation/ad5766_sdz_doc/docs/solutions/reference-designs/ad-paarray3552r-sl/hardware-guide/gui_home.png

    Figure 13 GUI Homepage

  25. It will show the GUI dashboard. On the device connection, choose the correct Serial Port. Then, press the Connect button.

  26. Wait until the HW-SW connection is successful.

  27. In the software setup section, you will find the complete details about the GUI.

  28. The user can perform either a manual power-up/down sequence or an automatic power-up/down sequence.

  29. For the manual power sequence, the user needs to manually adjust the knobs, sliders, and buttons under the “Control Group” section in the GUI according to the amplifier’s drain and gate voltage requirements.

    https://media.githubusercontent.com/media/analogdevicesinc/documentation/ad5766_sdz_doc/docs/solutions/reference-designs/ad-paarray3552r-sl/hardware-guide/gui_control_group_main.png

    Figure 14 GUI Control Group

  30. For the automatic power sequence, the user only needs to press the “Start” button of the power-up under the “Device Group” section in the GUI. It will automatically perform the power-up sequencing requirement of the HMC8500. Please note that the automatic power sequencing has default gate voltage levels designed for the HMC8500 GaN Power Amplifier.

    https://media.githubusercontent.com/media/analogdevicesinc/documentation/ad5766_sdz_doc/docs/solutions/reference-designs/ad-paarray3552r-sl/hardware-guide/gui_device_group.png

    Figure 15 GUI Device Group

  31. To change the default voltages in the automatic power sequencing, the user needs to modify the source code according to their power amplifier requirement.

  32. Once properly powered up, turn on the RF signal generator. On the signal analyzer, you should see an amplifier RF output signal of around +12 dBm at 2.4 GHz, indicating a successful power-up.

    https://media.githubusercontent.com/media/analogdevicesinc/documentation/ad5766_sdz_doc/docs/solutions/reference-designs/ad-paarray3552r-sl/hardware-guide/rf_output.png

    Figure 16 RF Output

  33. To power down, press the “Start” button of the power-down sequence and it automatically performs the power-down sequence requirement of the HMC8500.

System Performance

Power Sequencing

The system exhibits an automated bias sequencing required by a power amplifier which minimizes human intervention and possible device damage. The default bias sequence implemented follows the common GaN power amplifier sequencing as shown below.

https://media.githubusercontent.com/media/analogdevicesinc/documentation/ad5766_sdz_doc/docs/solutions/reference-designs/ad-paarray3552r-sl/hardware-guide/bias_sequencing_gan.png

Figure 17 GaN Power Sequence

https://media.githubusercontent.com/media/analogdevicesinc/documentation/ad5766_sdz_doc/docs/solutions/reference-designs/ad-paarray3552r-sl/hardware-guide/ldmos.png.jpg

Figure 18 LDMOS Power Sequence

AD3552R DAC Settling Time

The system enables an ultrafast sub-µs voltage settling time for GaN gates from pinch-off to the normal operating voltage by utilizing the AD3553R dual-channel, ultrafast, 16-bit DAC. This rapid voltage transition allows the board to meet the TDD switching requirements for biasing a GaN amplifier in RF front-end applications, such as 5G base station radio units.

The typical voltage transition time from GaN pinch-off to its normal operating voltage is shown in the figure below.

https://media.githubusercontent.com/media/analogdevicesinc/documentation/ad5766_sdz_doc/docs/solutions/reference-designs/ad-paarray3552r-sl/hardware-guide/pinch_off_to_normal.png

Figure 19 Settling Time from Pinch-off to Normal

https://media.githubusercontent.com/media/analogdevicesinc/documentation/ad5766_sdz_doc/docs/solutions/reference-designs/ad-paarray3552r-sl/hardware-guide/normal_to_pinch_off.png

Figure 20 Settling Time from Normal to Pinch-off

Fault Event

The system can protect itself against undesirable fault incidents, such as overvoltage, overcurrent, and overtemperature events. The on-board LTC7000 handles overvoltage (OV) and overcurrent (OC) fault detection, while the MAX6516 is responsible for temperature monitoring and detection.

The table below shows the preset threshold for each parameter.

Safety Features

Fault Event

Fault Threshold Limit

Overvoltage

+55V

Overcurrent

3.5 A

Overtemperature

+75°C

Tip

Users can define the fault threshold limits based on their application by adjusting resistor values. Consult the schematic for the resistor values.

Fault Time Response

The system also exhibits fast fault detection and flagging.

Figure 21 shows the time elapsed from when the LTC7000 detects a fault to when it sends a signal to the microcontroller. Under normal conditions, the FAULT pin of the LTC7000 remains HIGH. When a fault event occurs, the FAULT pin is pulled to GND. The system took almost 1 µs to register the fault flag time.

https://media.githubusercontent.com/media/analogdevicesinc/documentation/ad5766_sdz_doc/docs/solutions/reference-designs/ad-paarray3552r-sl/hardware-guide/flag_time.png

Figure 21 Fault Detected Time

Figure 22 shows the time it takes for the microcontroller to process the fault signal coming from the LTC7000 and perform the required power-down sequencing. The system took almost 5 µs to register the fault flag time.

https://media.githubusercontent.com/media/analogdevicesinc/documentation/ad5766_sdz_doc/docs/solutions/reference-designs/ad-paarray3552r-sl/hardware-guide/mcu_time.png

Figure 22 Fault Flag Time

Thermal Performance

Figure 23 shows the temperature of the AD-PAARRAY3552R-SL board in normal operating conditions. This is the situation when all of the bias pins are sourcing their specified loads under normal operations.

https://media.githubusercontent.com/media/analogdevicesinc/documentation/ad5766_sdz_doc/docs/solutions/reference-designs/ad-paarray3552r-sl/hardware-guide/thermal.png

Figure 23 Thermal Performance

Resources

Design and Integration Files

Download

AD-PAARRAY3552R-SL Design & Integration Files

  • Schematic

  • PCB Layout

  • Bill of Materials

  • Allegro Project

Further Help

For questions and more information about this product, connect with us through the Analog Devices Engineer Zone.

EngineerZone Support Community