ADRV9026 & ADRV9029

The EVAL-ADRV9026/ADRV9029, are FMC radio cards for the ADRV9026 and ADRV9029, highly integrated, radio frequency (RF) agile transceivers offering four independently controlled transmitters, dedicated observation receiver inputs for monitoring each transmitter channel, four independently controlled receivers, integrated synthesizers, and digital signal processing functions providing complete transceiver solutions. The devices provide the performance demanded by cellular infrastructure applications, such as small cell base station radios, macro 3G/4G/5G systems, and massive multiple in/multiple out (MIMO) base stations.

Table of Contents
People who follow the flow that is outlined, have a much better experience with things. However, like many things, documentation is never as complete as it should be. If you have any questions, feel free to ask.
Use the board to better understand the ADRV9026/ADRV9029
-
Configure an SD Card with Kuiper
Linux Applications
Design with the ADRV9026/ADRV9029
Hardware in the Loop / How to design your own custom BaseBand
Design a custom ADRV9026/ADRV9029 based platform
Linux software
Changing the VCXO frequency and updating the default RF Transceiver Profile
HDL Reference Design which you must use in your FPGA.
Additional Documentation about SDR Signal Chains - The math behind the RF
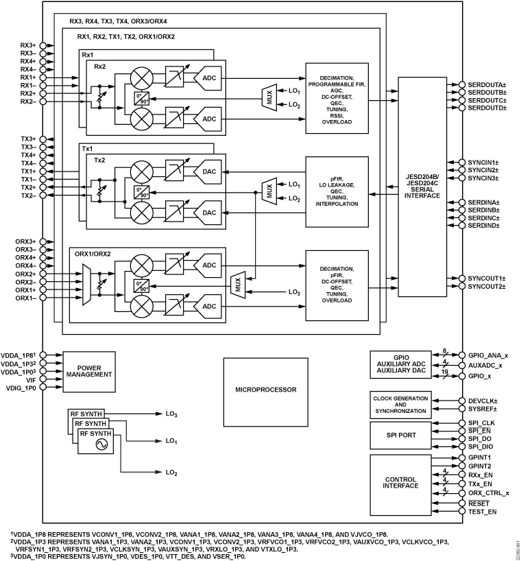
Block diagram

Videos
Software Defined Radio using the Linux IIO Framework
ADI Articles
#. Four Quick Steps to Production: Using Model-Based Design for Software-Defined Radio
MathWorks Webinars
Warning
All the products described on this page include ESD (electrostatic discharge) sensitive devices. Electrostatic charges as high as 4000V readily accumulate on the human body or test equipment and can discharge without detection. Although the boards feature ESD protection circuitry, permanent damage may occur on devices subjected to high-energy electrostatic discharges. Therefore, proper ESD precautions are recommended to avoid performance degradation or loss of functionality. This includes removing static charge on external equipment, cables, or antennas before connecting to the device.